聯系方式
-
聯系人:唐小姐
電 話:18028294447
傳 真:0769-85704468
郵 箱:2355938364@qq.com
網 址:www.lzchhj.com
地 址:廣東東莞市大朗鎮松木山利昌路13號
您當前的位置:首頁 > 新聞中心 > 常見問題
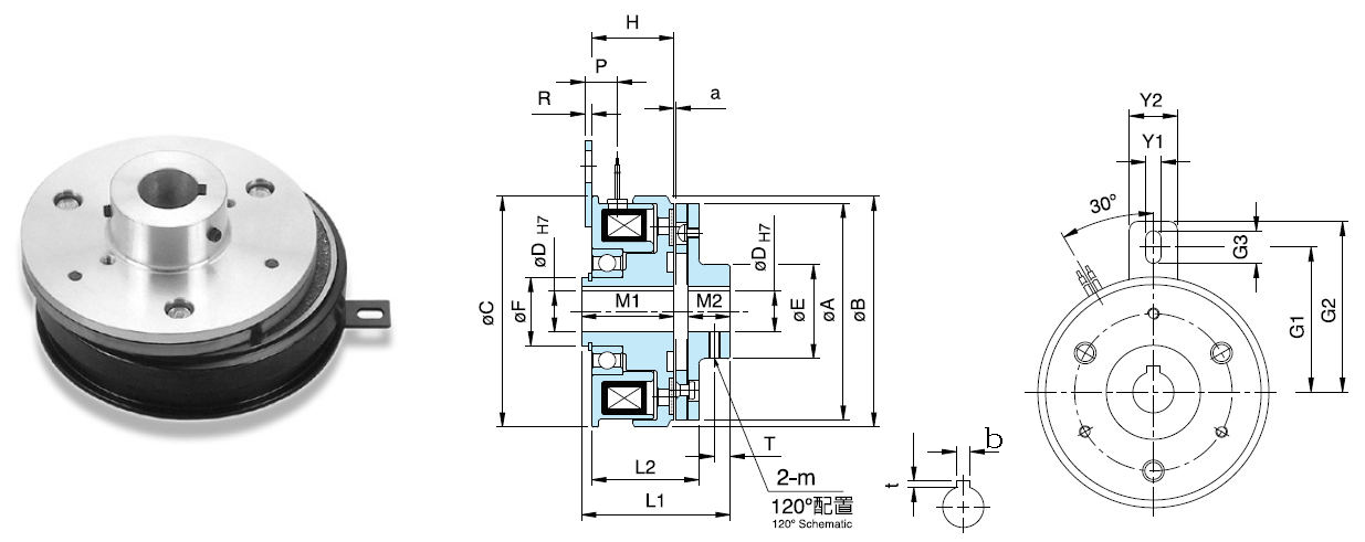
單片電磁離合器的詳細結構規格圖
2015-10-14 09:40:52 新聞來源:天機傳動
下一篇:2015年最新磁粉離合器安裝圖
電磁離合器可分為:干式單片電磁離合器,干式多片電磁離合器,濕式多片電磁離合器,磁粉離合器,轉差式電磁離合器等。
而我們今天要講“干式單片電磁離合器”,干式單片電磁離合器主要作用:吸合、分離、過載保護、正反轉、變速、動力分配、寸動
定位、高頻運轉等。而應用領域有這些“包裝機械設備行業、金屬加工機械設備行業、搬遷機械設備行業、紙張加工機械設備行業、
印刷機械設備行業、食品加工機械設備行業及紡織機械設備行業”,還有就跟蝸輪蝸桿減速機組合成電磁離合剎車減速機。
單片電磁離合器的工作原理是利用電磁鐵原理,再通過直流電來控制動力傳動的吸合和分離,再用于控制動力軸的制動停止
和自由運行,可用于高頻制動場合。而型號有“TJ—c1-0.6、TJ—c1-1.5、TJ—c1-2.5、TJ—c1-5、TJ—c1-10、TJ—c1-20、
TJ—c1-40”。
電磁離合器工作方式分為:通電結合和斷電結合。

下一篇:2015年最新磁粉離合器安裝圖




